
李小小
大物实验 3, 通信电缆
目的:理论推导 CAN 线传输信号的特性
通信电缆
通信电缆是用于信号传输的一种电线,CAN 中使用的双绞线是通信电缆的其中一种。

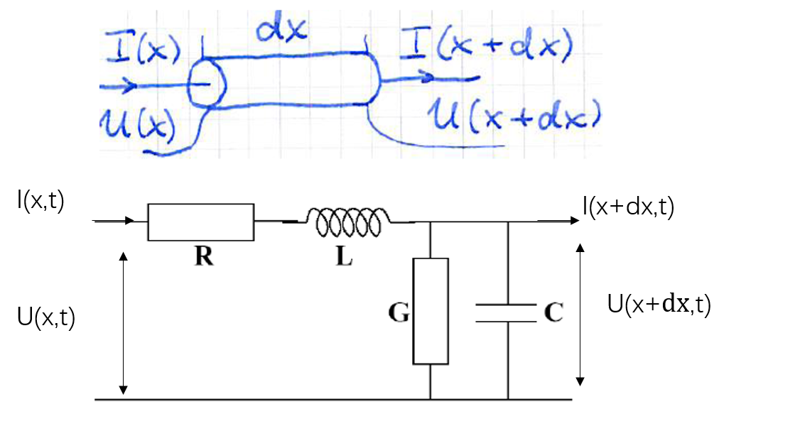
分析一小段电缆,设电缆每单位长度包含电阻 R [Ohm/m],电感 L [H/m],漏电 G [S/m] 和电容 C [F/m]。信号电压的频率 f=2piw。
则这段小电缆中电压电流关系推出等式(1)和(2),将式子(1)两边对 x 偏微分代入式子(2)推出(3):

对式子(3)的求解可以通过两边做拉普拉斯变换,运算后做逆拉普拉斯变换得到通解,见《数学物理方程》。
通解为:

这个解可以理解为一个信号 U(t)以波的形式向右传播,其中速度为 v=w/ß,衰减为 exp(-a)。
电磁波传输速度
在无损条件下即 R=0, G=0, 可以得出 a 和 ß 的值,其中 a=0,即电磁波没有衰减。
最后通过 ß 的 值推出波的传播速度 v。

在一般电缆中,每米的电容 C 大概为 100 pF/m, 每米电感 L 为 250 nH/m,可推出波的速度为 2e8 m/s, 即为光速的三分之二。
阻抗 Z